首页
买家发布
询盘
铸造
锻造
冲压
注塑
机加工
合作伙伴
技术转让
跨国并购
日用消费品/食品饮料
汽车制造及零部件/其他交通
机械设备制造
电子电气
化工制药医疗
环保及能源
美茵小工单
服务与支持
美茵学院
职业培训
汽车修理
数控加工中心操作
焊接
机器人操作与编程
护理
关于我们
德国城简介
企业文化
联系我们
×
中/
DE
中文版
German
登录
注册
欢迎您,
退出
回到顶部
您现在的位置:
首页
→
买家发布
→
询盘
>
机加工
产品名称:
2405JG0039
热销
False
品牌:
型号:
累计评价:
天猫积分:
颜色分类:
我有购买意向
公司介绍
询盘信息
询单号
2405JG0039
来自国家
德国
品名
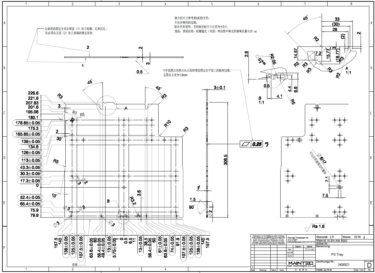
PS托盘
需求数量
2000
报价截止日期
2024/5/24
图纸号
24000021
工艺
机加工
材料
见图纸
生产周期(周)
付款方式
预付款,验收合格后支付尾款。
询盘附件下载
6385128323291990919745384.pdf
报价单下载
请在报价限定期内以附件形式将报价单发送至info@deguocheng.com
6385128324999940179561025.xlsx
产品介绍
详细参数
上一篇:
2405JG0040
下一篇:
2405JG0038
Products
/
相关产品
More
2504JG0001
2025
-
04
-
30
价格:
More
2412JG0001
2024
-
12
-
25
价格:
More
2411JG0001
2024
-
11
-
21
价格:
More
询盘
铸造
锻造
冲压
注塑
机加工
合作伙伴
推荐产品
/
Products
产品设备
2404ZC0007
发布时间:
2024
-
04
-
22
查看更多>>
2404ZC0006
发布时间:
2024
-
04
-
22
查看更多>>
2404ZC0005
发布时间:
2024
-
04
-
22
查看更多>>
2404ZC0004
发布时间:
2024
-
04
-
22
查看更多>>
跨国并购
/
最新案例
·
德国首饰公司
2024
-
04
-
16
点击次数:
32
该公司是一家德国公司,拥有较强的首饰消费品牌以及在德国、法国与英国的首饰零售网络。销售额约为7000万欧元。EBIT约为12%。
More
·
德国高端冬季运动服装公司
2024
-
04
-
16
点击次数:
8
该公司是德国领先高端运动服装品牌之一,专注于冬季运动服装,但也有一系列的户外和休闲流行服饰。该公司规模相当大,销售额大约2.5亿欧元,EBITDA约为5000 万欧元。收购价格可能等于其年销售额。
More
·
德国巧克力生产设备制造商
2024
-
04
-
16
点击次数:
3
该巧克力生产设备制造商产品包括:清洁分级设备、储备罐和筒仓、烘干机和研磨机。标的公司已经开发出小规模的巧克力加工机械的完整产品线,在连续工作过程中的吞吐量高达100 kg/ h。除了完整的加工厂,标的还提供安装生产机械设备及维修等服务。该标的公司正在破产保护下。
More
·
德国某果汁公司
2024
-
04
-
16
点击次数:
4
该公司是德国最大果汁生产商之一。标的公司的品牌在全德国享有高的知名度,主要客户是饮料批发商和零售商及餐饮业。该公司的销售额约为5150万欧元,EBIT为50万欧元。该公司是家族企业。
More
·
德国汽车电缆和照明公司
2024
-
04
-
16
点击次数:
2
该公司生产汽车电缆和内部照明,销售额为约4500万欧元,EBIT为约350万欧元。
More
·
德国营养补充剂公司
2024
-
04
-
16
点击次数:
0
该公司拥有著名的消费品牌,生产与销售生产食品补充剂,尤其维生素。销售:零售渠道,产品目录以及报纸广告。标的公司的销售额1500万欧元,EBIT是300 万欧元。
More
·
德国重型卡车、挂车和半挂车的系统模块和组件的领先制造商
2024
-
04
-
16
点击次数:
5
德国重型卡车、挂车和半挂车的系统模块和组件的领先制造商,是重型卡车,挂车和半挂车的系统模块和组件的领先制造商。主要产品包括连接部件和拖车接头或离合器系统,挂车起落架,被迫转向系统。客户包括戴姆勒、曼、斯堪尼亚、沃尔沃、帕卡、一汽、塔塔和卡玛斯和施密茨,Cargobull、科格尔、Krone、Randon、CIMC、Utility Trailer和Wabash。重点是在西欧和东欧的市场,而且在中国,...
More
·
德国汽车行业高品质纤维和金属制品制造商
2024
-
04
-
16
点击次数:
2
德国汽车行业高品质纤维和金属制品制造商,为汽车行业生产高品质的纤维和金属制品。其产品包括室内垫、废气绝缘部件、发动机舱封装组件等。该公司有约600名员工,销售额约为7000万欧元。
More
·
德国汽车行业注塑和硫化模具制造商
2024
-
04
-
16
点击次数:
4
该公司为汽车行业开发和制造注塑和硫化模具。全世界大的汽车零部件供应商都采用其模具。该公司的销售额不到1000万欧元,有大约50名员工。
More
·
德国果汁公司
2024
-
04
-
16
点击次数:
0
该公司是德国最大果汁生产商之一。标的公司的品牌在全德国享有高的知名度,主要客户是德国的超市连锁店。公司的销售额约为2亿欧元,EBIT为570万欧元。
More
·
德国某果汁公司
2024
-
04
-
16
点击次数:
0
该公司的品牌在全德国享有高的知名度,主要客户是德国的超市连锁店。 标的公司的销售额约为220万欧元,EBIT为70万欧元。
More
·
德国营养补充剂公司
2024
-
04
-
16
点击次数:
0
该公司拥有著名的消费品牌,生产与销售大范围内的,几乎所有的食品补充剂。通过零售渠道销售。标的公司的销售额是2000万欧元,EBITDA约30%。股东想以EBITDA的6.5倍的价格卖出其股份。
More
联系我们
info@oemhouse.com
您来访的目的是了解:
产品设备采购
技术转让
跨国并购
美茵小工单
美茵机电科技股份有限公司
粤ICP备09063742号-1
网站地图
犀牛云提供企业云服务