回到顶部
产品名称:

2405JG0001

False
品牌:
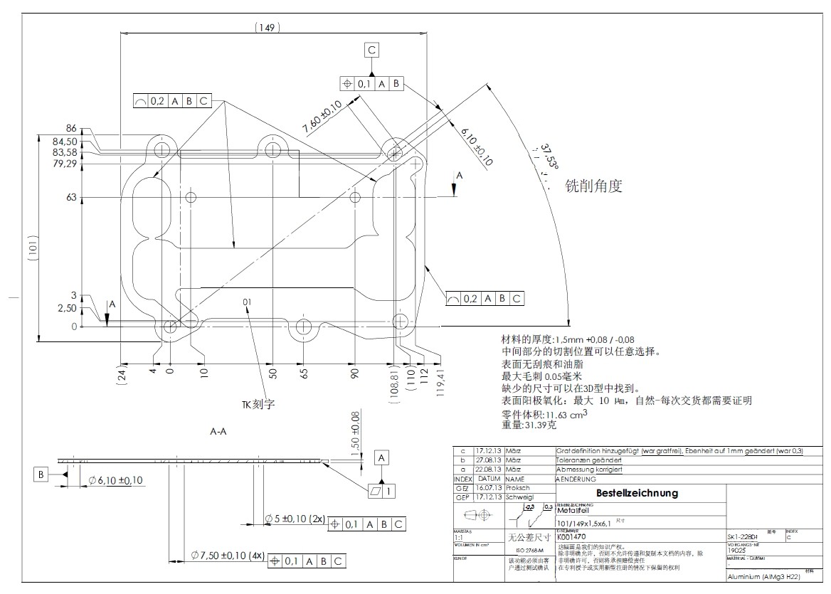
型号: 累计评价: 询盘信息询单号2405JG0001来自国家德国品名垫子需求数量500报价截止日期2024/5/17图纸号SK1-22801工艺机加工材料见图纸生产周期(周)付款方式预付款,验收合格后支付尾款。询盘附件下载6385067580560898826332078.pdf报价单下载请在报价限定期内以附件形式将报价单发送至info@deguocheng.com6385067582452193226088988.xlsx 天猫积分:
颜色分类:
公司介绍
产品介绍
详细参数

2405JG0001

询盘信息
询单号2405JG0001
来自国家德国
品名垫子
需求数量500
报价截止日期2024/5/17
图纸号SK1-22801
工艺机加工
材料见图纸
生产周期(周)
付款方式预付款,验收合格后支付尾款。
询盘附件下载

2405JG00016385067580560898826332078.pdf

报价单下载请在报价限定期内以附件形式将报价单发送至info@deguocheng.com

2405JG00016385067582452193226088988.xlsx


Products / 相关产品 More
2025 - 04 - 30
价格:
2024 - 12 - 25
价格:
2024 - 11 - 21
价格:
推荐产品 / Products 产品设备
跨国并购 / 最新案例
2024 - 04 - 16
点击次数: 32
该公司是一家德国公司,拥有较强的首饰消费品牌以及在德国、法国与英国的首饰零售网络。销售额约为7000万欧元。EBIT约为12%。
2024 - 04 - 16
点击次数: 8
该公司是德国领先高端运动服装品牌之一,专注于冬季运动服装,但也有一系列的户外和休闲流行服饰。该公司规模相当大,销售额大约2.5亿欧元,EBITDA约为5000 万欧元。收购价格可能等于其年销售额。
2024 - 04 - 16
点击次数: 3
该巧克力生产设备制造商产品包括:清洁分级设备、储备罐和筒仓、烘干机和研磨机。标的公司已经开发出小规模的巧克力加工机械的完整产品线,在连续工作过程中的吞吐量高达100 kg/ h。除了完整的加工厂,标的还提供安装生产机械设备及维修等服务。该标的公司正在破产保护下。
2024 - 04 - 16
点击次数: 4
该公司是德国最大果汁生产商之一。标的公司的品牌在全德国享有高的知名度,主要客户是饮料批发商和零售商及餐饮业。该公司的销售额约为5150万欧元,EBIT为50万欧元。该公司是家族企业。
2024 - 04 - 16
点击次数: 2
该公司生产汽车电缆和内部照明,销售额为约4500万欧元,EBIT为约350万欧元。
2024 - 04 - 16
点击次数: 0
该公司拥有著名的消费品牌,生产与销售生产食品补充剂,尤其维生素。销售:零售渠道,产品目录以及报纸广告。标的公司的销售额1500万欧元,EBIT是300 万欧元。
2024 - 04 - 16
点击次数: 5
德国重型卡车、挂车和半挂车的系统模块和组件的领先制造商,是重型卡车,挂车和半挂车的系统模块和组件的领先制造商。主要产品包括连接部件和拖车接头或离合器系统,挂车起落架,被迫转向系统。客户包括戴姆勒、曼、斯堪尼亚、沃尔沃、帕卡、一汽、塔塔和卡玛斯和施密茨,Cargobull、科格尔、Krone、Randon、CIMC、Utility Trailer和Wabash。重点是在西欧和东欧的市场,而且在中国,...
2024 - 04 - 16
点击次数: 2
德国汽车行业高品质纤维和金属制品制造商,为汽车行业生产高品质的纤维和金属制品。其产品包括室内垫、废气绝缘部件、发动机舱封装组件等。该公司有约600名员工,销售额约为7000万欧元。
2024 - 04 - 16
点击次数: 4
该公司为汽车行业开发和制造注塑和硫化模具。全世界大的汽车零部件供应商都采用其模具。该公司的销售额不到1000万欧元,有大约50名员工。
2024 - 04 - 16
点击次数: 0
该公司是德国最大果汁生产商之一。标的公司的品牌在全德国享有高的知名度,主要客户是德国的超市连锁店。公司的销售额约为2亿欧元,EBIT为570万欧元。
2024 - 04 - 16
点击次数: 0
该公司的品牌在全德国享有高的知名度,主要客户是德国的超市连锁店。 标的公司的销售额约为220万欧元,EBIT为70万欧元。
2024 - 04 - 16
点击次数: 0
该公司拥有著名的消费品牌,生产与销售大范围内的,几乎所有的食品补充剂。通过零售渠道销售。标的公司的销售额是2000万欧元,EBITDA约30%。股东想以EBITDA的6.5倍的价格卖出其股份。

联系我们

info@oemhouse.com
美茵机电科技股份有限公司
犀牛云提供企业云服务