首页
买家发布
询盘
铸造
锻造
冲压
注塑
机加工
合作伙伴
技术转让
跨国并购
日用消费品/食品饮料
汽车制造及零部件/其他交通
机械设备制造
电子电气
化工制药医疗
环保及能源
美茵小工单
服务与支持
美茵学院
职业培训
汽车修理
数控加工中心操作
焊接
机器人操作与编程
护理
关于我们
德国城简介
企业文化
联系我们
×
中/
DE
中文版
German
登录
注册
欢迎您,
退出
回到顶部
您现在的位置:
首页
→
买家发布
→
询盘
>
铸造
产品名称:
2404ZC0017
热销
False
品牌:
型号:
累计评价:
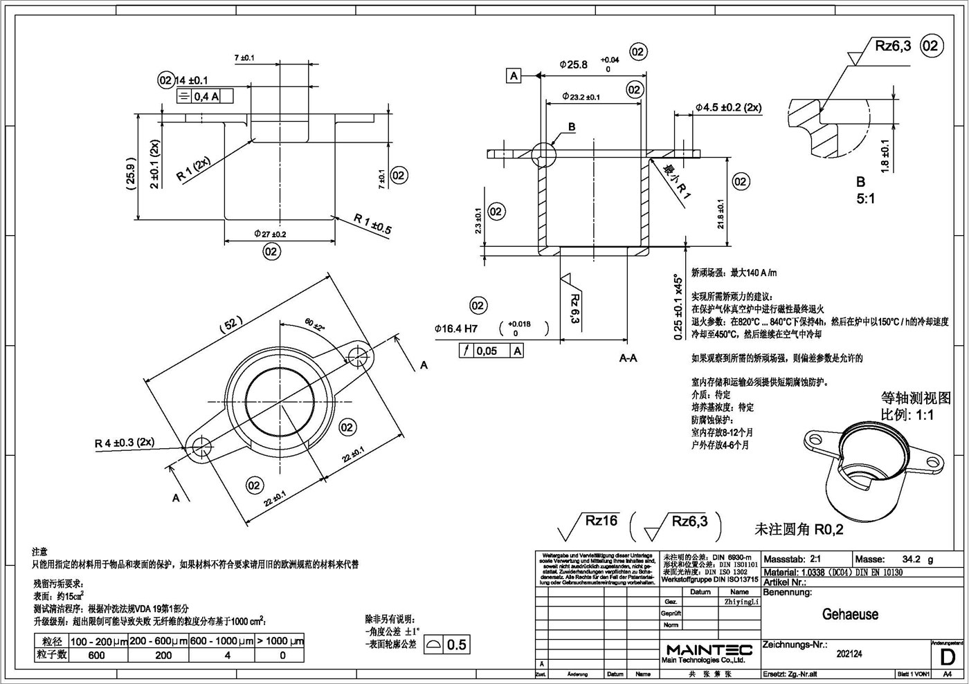
询盘信息询单号2404ZC0017来自国家德国品名壳体需求数量5000报价截止日期2024/5/9图纸号202124工艺铸造+机加工材料见图纸生产周期(周)付款方式预付款,验收合格后支付尾款。询盘附件下载报价单下载请在报价限定期内以附件形式将报价单发送至info@deguocheng.com6384999810688045685002356.xlsx
天猫积分:
颜色分类:
我有购买意向
公司介绍
产品介绍
详细参数
询盘信息
询单号
2404ZC0017
来自国家
德国
品名
壳体
需求数量
5000
报价截止日期
2024/5/9
图纸号
202124
工艺
铸造+机加工
材料
见图纸
生产周期(周)
付款方式
预付款,验收合格后支付尾款。
询盘附件下载
报价单下载
请在报价限定期内以附件形式将报价单发送至info@deguocheng.com
6384999810688045685002356.xlsx
上一篇:
2404ZC0018
下一篇:
2404ZC0016
Products
/
相关产品
More
2504ZC0001
2025
-
04
-
30
价格:
More
2503ZC0003
2025
-
03
-
20
价格:
More
2503ZC0002
2025
-
03
-
20
价格:
More
询盘
铸造
锻造
冲压
注塑
机加工
合作伙伴
推荐产品
/
Products
产品设备
2404ZC0007
发布时间:
2024
-
04
-
22
查看更多>>
2404ZC0006
发布时间:
2024
-
04
-
22
查看更多>>
2404ZC0005
发布时间:
2024
-
04
-
22
查看更多>>
2404ZC0004
发布时间:
2024
-
04
-
22
查看更多>>
跨国并购
/
最新案例
·
德国首饰公司
2024
-
04
-
16
点击次数:
32
该公司是一家德国公司,拥有较强的首饰消费品牌以及在德国、法国与英国的首饰零售网络。销售额约为7000万欧元。EBIT约为12%。
More
·
德国高端冬季运动服装公司
2024
-
04
-
16
点击次数:
8
该公司是德国领先高端运动服装品牌之一,专注于冬季运动服装,但也有一系列的户外和休闲流行服饰。该公司规模相当大,销售额大约2.5亿欧元,EBITDA约为5000 万欧元。收购价格可能等于其年销售额。
More
·
德国巧克力生产设备制造商
2024
-
04
-
16
点击次数:
3
该巧克力生产设备制造商产品包括:清洁分级设备、储备罐和筒仓、烘干机和研磨机。标的公司已经开发出小规模的巧克力加工机械的完整产品线,在连续工作过程中的吞吐量高达100 kg/ h。除了完整的加工厂,标的还提供安装生产机械设备及维修等服务。该标的公司正在破产保护下。
More
·
德国某果汁公司
2024
-
04
-
16
点击次数:
4
该公司是德国最大果汁生产商之一。标的公司的品牌在全德国享有高的知名度,主要客户是饮料批发商和零售商及餐饮业。该公司的销售额约为5150万欧元,EBIT为50万欧元。该公司是家族企业。
More
·
德国汽车电缆和照明公司
2024
-
04
-
16
点击次数:
2
该公司生产汽车电缆和内部照明,销售额为约4500万欧元,EBIT为约350万欧元。
More
·
德国营养补充剂公司
2024
-
04
-
16
点击次数:
0
该公司拥有著名的消费品牌,生产与销售生产食品补充剂,尤其维生素。销售:零售渠道,产品目录以及报纸广告。标的公司的销售额1500万欧元,EBIT是300 万欧元。
More
·
德国重型卡车、挂车和半挂车的系统模块和组件的领先制造商
2024
-
04
-
16
点击次数:
5
德国重型卡车、挂车和半挂车的系统模块和组件的领先制造商,是重型卡车,挂车和半挂车的系统模块和组件的领先制造商。主要产品包括连接部件和拖车接头或离合器系统,挂车起落架,被迫转向系统。客户包括戴姆勒、曼、斯堪尼亚、沃尔沃、帕卡、一汽、塔塔和卡玛斯和施密茨,Cargobull、科格尔、Krone、Randon、CIMC、Utility Trailer和Wabash。重点是在西欧和东欧的市场,而且在中国,...
More
·
德国汽车行业高品质纤维和金属制品制造商
2024
-
04
-
16
点击次数:
2
德国汽车行业高品质纤维和金属制品制造商,为汽车行业生产高品质的纤维和金属制品。其产品包括室内垫、废气绝缘部件、发动机舱封装组件等。该公司有约600名员工,销售额约为7000万欧元。
More
·
德国汽车行业注塑和硫化模具制造商
2024
-
04
-
16
点击次数:
4
该公司为汽车行业开发和制造注塑和硫化模具。全世界大的汽车零部件供应商都采用其模具。该公司的销售额不到1000万欧元,有大约50名员工。
More
·
德国果汁公司
2024
-
04
-
16
点击次数:
0
该公司是德国最大果汁生产商之一。标的公司的品牌在全德国享有高的知名度,主要客户是德国的超市连锁店。公司的销售额约为2亿欧元,EBIT为570万欧元。
More
·
德国某果汁公司
2024
-
04
-
16
点击次数:
0
该公司的品牌在全德国享有高的知名度,主要客户是德国的超市连锁店。 标的公司的销售额约为220万欧元,EBIT为70万欧元。
More
·
德国营养补充剂公司
2024
-
04
-
16
点击次数:
0
该公司拥有著名的消费品牌,生产与销售大范围内的,几乎所有的食品补充剂。通过零售渠道销售。标的公司的销售额是2000万欧元,EBITDA约30%。股东想以EBITDA的6.5倍的价格卖出其股份。
More
联系我们
info@oemhouse.com
您来访的目的是了解:
产品设备采购
技术转让
跨国并购
美茵小工单
美茵机电科技股份有限公司
粤ICP备09063742号-1
网站地图
犀牛云提供企业云服务