产品名称:
铸造机加工件No. 20199
热销
False
品牌:
型号:
累计评价:
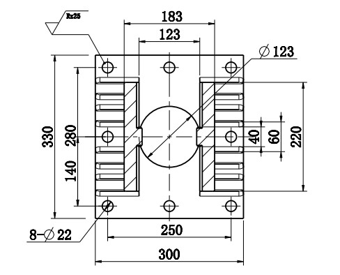
零件名称基本工艺材料报价数量货运日期铸造、机加工不锈钢100件2024/6/16零件描述材质要求外形尺寸毫米材料提供方供应商货运安排批次交货日期报价数量1/12024/6/16100件总计100件
天猫积分:
颜色分类:
公司介绍
产品介绍
详细参数






| 零件名称 | 基本工艺 | 材料 | 报价数量 | 货运日期 |
| 铸造、机加工 | 不锈钢 | 100件 | 2024/6/16 |
| 零件描述 | 材质 要求 |
| 外形尺寸 | 毫米 |
| 材料提供方 | 供应商 |
| 货运安排 | 批次 | 交货日期 | 报价数量 |
|
| 1/1 | 2024/6/16 | 100件 |
| 总计 |
| 100件 |